本文SBWR-2161智能热电偶温度草莓视频APP色版资料由优质草莓视频APP色版生产报价厂家为您提供。

SBWR-2161智能热电偶简介温度草莓视频APP色版;
SBW系列热电阻和热电偶温度草莓视频APP色版,采用双线传输模式,将热电阻、热电偶电阻和毫伏信号转换成与输入信号或温度信号成线性关系的20mA输出信号。它可以安装在热电阻和热电偶的接线盒中形成一个整体结构,也可以以导轨的形式安装在仪表控制箱中。上海自动化仪表三厂生产的SBWR-2161智能热电偶具有耐冲击、耐潮湿、精度高、功耗低、工作环境温度范围广、运行稳定可靠等优点。作为新一代的温度测量和传输仪器,它广泛应用于冶金、石化、电力、纺织、食品等工业部门。
SBWR-2161智能热电偶温度草莓视频APP色版主要技术参数:
◆范围:0-800℃
◆输入类型:E型
◆输出类型:输出20mA(输出线性至相应温度)
◆精度等级:0.5%FS,0.2%FS
◆传输模式:双线制
◆工作电源:DC12~35V,额定工作电压DC24V
◆负载电阻:0-600ω,额定负载:250ω
◆环境温度:-20℃~70℃(智能)
◆相对湿度:5%~95%
◆环境温度影响:≤0.05/1℃
温度草莓视频APP色版工作原理:
SBW系列热电阻和热电偶温度草莓视频APP色版,采用双线传输方式,将热电阻和热电偶的电阻和毫伏信号转换成20mA输出信号,与输入信号或温度信号成线性关系。并将信号传输到计算机或其他设备。
温度草莓视频APP色版使用类型选择:

模型示例:
SBWR-2161表示e级非隔离常规型,输出与相应温度成线性关系的智能型为20mA 温度草莓视频APP色版
SBWR-4261表示k分频非隔离常规型,输出与相应输入信号成线性关系的智能型为20mA 温度草莓视频APP色版
SBWR-2160表示e级非隔离常规型,输出与相应的温度成线性关系,20mA输出温度草莓视频APP色版
SBWR-4160表示e级非隔离常规型,输出与相应的输入信号成线性关系,输出为20mA 温度草莓视频APP色版
此外,订购时应提供温度范围等参数
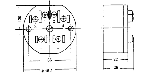
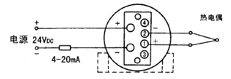
温度草莓视频APP色版安装图片:
◆SBWR-2161智能热电偶温度草莓视频APP色版

◆SBWR-2161智能热电偶温度草莓视频APP色版连接

《SBWR-2161智能热电偶温度草莓视频APP色版》本文地址:http://www.shfengxiao.com/news/hy/922.html 转载请勿删除!
全国服务热线